Language
Current Location:Home Page >Products >40.5kV insulation parts series >40.5kV shielded contact box series
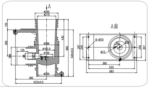
产品名称:屏蔽触头盒(加强型)
产品型号:CHZ304G-40.5
额定电压:40.5kV
Product design drawing: