Language
Current Location:Home Page >Products >24kV insulation parts series >24kV insulation tube series
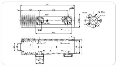
产品名称:24kV绝缘筒
产品型号:JTZ01-24
额定电流:1250A
Product design drawing: