Language
Current Location:Home Page >Products >3.6-12kV insulation parts series >12kV solid sealed pole series
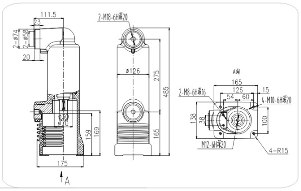
产品名称:固封极柱
产品型号:GFZ02-12
额定电流:1250A-31.5kA
Product design drawing: